■ 측온저항체-RTD(Resistance Temperature Detector)
<참고자료>
http://smartmanufacturing101.blogspot.com/2017/09/rtd.html
https://m.blog.naver.com/iotsensor/220297809736
1. RTD 원리 및 배경
금속은 자기의 고유 저항값을 갖고 있으며 그 전기저항은 온도에 따라 일정하게 변하는 성질을 갖고 있다. 이러한 특성을 이용하여 순도가 아주 높은 금속선을 감온부로 만들어 온도측정대상체에 접촉시켜 온도를 감지하게한다. 그리고 온도 크기에 따라 변한 저항값을 저항측정기로 계측하여 온도눈금으로 바꾸어 읽는 전기식 온도계를 만들 수 있다. 이 온도계가 측온저항체온도계(Resistance Temperature Detector;약자로 RTD)이다.
1821년에 Sir Humphry Davy가 온도가 증가함에 따라 금속들이 전기전도도가 비례한다는 현상을 발견하여 발표한 것이 측온저항체 온도계의 시초로 볼 수 있다. 1877년에 SirWilliam Siemens가 백금측온 저항온도계로 온도를 측정하는 방법을 처음으로 제시하였고 그 측정의 실현은 1877에 와서야 Hugh Callendar에 의해 오늘날과 같은 현대적 측온 저항온도계에 의한 온도측정이 시작되었다.
2. RTD 측정 및 보정
가. 측정 전 알아야하는 실험값

Rt = ρt × ℓ/A
(ρt : 온도 t( ℃)에서 금속의 비저항(Ω.㎝), A : 금속선의 단면적(㎠), ℓ : 금속선의 길이(㎝))
균일한 굵기의 순도 높은 금속선이 온도 t℃에서 나타내는 전기저항 Rt(Ω)는 다음식으로 표현할 수 있다. 측온저항체의 소자로 사용하는 금속선의 비저항값은 온도에 따라 변하며 그 금속마다 고유의 값을 갖는 특성값이다. 즉, 온도 변화에 따라 단면적과 길이가 일정한데 저항이 변하는 것은 비저항이 변해서라고 생각하면 편하다.

그림은 각종 금속의 온도에 따른 저항의 관계를 나타낸 것이다. 이를 일반적인 관계식으로 표현하면, 온도t(℃)에서 금속의 전기저항 Rt(Ω)은 다음과 같다. 그리고 b,c는 계산과정에서 너무 작은 값이라 제외하고, 선형적인 구간(0℃ ~ T℃)으로 제한한다면 간단한 식이 나온다.
Rt = R0(1 + a(T-T0) + b(T-T0)2 + c(T-T0)3+ ․․․)
(R0 : 0℃에서의 저항, a : 저항의 온도계수 (Ω/Ω/℃), b와c : 각 온도에서의 온도계수)
Rt=R0[1+aT]
길게 설명했지만, 0℃에서 저항값 R0, 온도계수 a를 알고, 저항 Rt를 측정하면 온도T를 구할 수 있다. 여기서 a : 저항의 온도계수((temperature coefficient of resistance; TCR)이고 T1=0℃와 T2=100℃을 산업표준으로 하고 있다.
온도계수(TCR) : a = 1/R0 * (R100-R0)/(T-T0)
= 1/R0 * (R100-R0)/100℃
= 1/100℃ * R100/R0 – 1/100℃
식에서도 볼 수 있듯이 온도계수 a, R100/R0 값이 주요한 값으로서 감도와 정확도를 결정한다. 온도계수가 클수록 감도가 좋고, 온도계수의 선형성이 좋을수록 정확하고 사용하기 쉽다. 그리고 이 값들은 실험을 통해 얻을 수 있다.
나. 측정 및 보상 방법
이제 저항을 측정하면 온도를 측정할 수 있다. 저항은 브리지(Bridge)회로를 이용하여 측정한다. 제일 기본적인 휘스톤 브리지를 통해 저항측정의 기본 원리를 설명한다.

그림에서 미지의 저항 Rx를 측정하기 위하여 저항 R1,R2의 비를 같게 한 후 검류계 G가 0을 지시할 때까지 Rs를 조절한다. 즉, 전위차가 0 V일 때 검류계는 0을 지시하고 이때에 브릿지가 평형이 되었다고 한다. 다음의 식으로부터 Rx를 유도할 수 있다.
R1∙Rx = R2 ∙Rs
그런데 저항을 측정하는데 RTD Rx와 연결된 도선에 대한 저항이 현장마다 사정이 다르기 때문에 오차가 많아 실생활에 적용하기가 어렵다. 그래서 오차를 보정하기 위해 보상방법으로 3선식 결선방법, 4선식 결선방법이 고안되었다.

2선식 결선의 측정을 다시 살펴보면 2 도선의 저항이 측온저항소자의 저항값과 직렬합성이 되어 도선의 저항값과 연장도선의 주변온도 변화에 따라 일정하지 않는 합성저항의 오차를 감수해야 하는 측정회로이다. 전류가 모두 같다고 생각하고 키르호프법칙을 적용하여 풀면,(r1 + r2) 만큼 오차가 생기게 된다.
R1 + Rs = R2 + r1 + Rx + r2
Rs = Rx + (r1 + r2)

3선식 결선은 대부분의 산업용 측온저항체에 적용하는 결선방식이다.여기서 도선의 저항 r1 와 r3 의 차이만큼 오차가 난다. 같다면 오차는 없다. 3선식 결선 측정은 도선의 저항이 같다고 보고 측정하는 것이다. 그러므로 도선은 재질,선경,길이 및 전기저항계수가 같고,전체 길이에 걸쳐 동일한 온도분포가 되도록 해야한다.
R1 + Rs + r3 +r2 = R2 + r1 + Rx +r2
Rs = Rx + (r1 – r3)

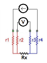
4선식 결선은 표준용 저항온도계의 교정등 극히 고정도 온도측정에 사용한다. 저항 측정회로의 도선과 전류의 측정용 도선을 구분하여 도선의 저항을 등가로 만들어 도선저항에 의한 오차를 배제한 것이다. 그러므로 4선식 측정은 3선식 회로에 두 가지로 결선하여 2회 측정한다. 이것은 저항 측정기에 부착되어 있는 스위치로 절환한다.
왼쪽 회로 : R1+Ra+r1+r2=R2+r3+Rx+r2, Ra = Rx+r3-r1
오른쪽 회로 : R1+Rb+r4+r3=R2+r2+Rx+r3, Rb = Rx+r2-r4
Ra+Rb=2Rx-r1+r2+r3-r4=2Rx
Rx=(Ra+Rb)/2

4선식은 또 다른 형식으로 측정할 수 있다. 알고 있는 전류원(I)을 2선으로 공급하고, 나머지 2선으로 전압을 측정하여 V=IR에 따라 저항 Rx를 얻을 수 있다.
라. 자기가열
동작 시 RTD에는 전류가 흐르기 때문에 자기가열(self heating)에 의해 영향을 받는다. 그래서 센서의 지시온도는 실제의 온도보다 약간 더 높다. 필요한 정밀도를 얻기 위해서는 이 자기가열에 의한 영향을 고려하여 가능한 한 RTD에 흐르는 전류를 충분히 작고 일정하게 유지해야 한다. RTD의 소비전력상수(dissipation constant)는 RTD 온도를 1[℃] 증가시키는데 필요한 전력[W/℃]으로 주어진다. 산업용 RTD에서 자기가열의 대표적인 범위는 30∼60 mW/℃이며, 이는 소비전력이30∼60 mW일 때 RTD가 1 ℃ 만큼 가열됨을 의미한다. 일반적으로 RTD에 흐르는 전류는 1mA 이하로 규정하고 있다.
3. 백금 RTD 종류
가장 특성이 좋은 백금으로 RTD를 많이 사용하기 때문에 백금 RTD를 대상으로 설명한다. 저항소자는 제조방법에 따라 구분하고 소재에 따라 구분하여 별도의 이름을 갖는다. 저항소선(백금선)을 어떤 절연물질에 감아서 만든 권선형 측온 저항소자(Wire Wound Type RTD)가 있다. 그리고 얇은 세라믹판에 백금을 증착한 후 저항비를 마추어 저항회로로 만든 박막형 저항소자(Thin Film Type RTD)가 있다.대체적으로 저항소선을 권선한 권선형 측온저항소자와 박막형 측온저항소자로 구분하여 사용한다.
가.세라믹형(권선형) 백금 측온저항체
백금 코일은 순도가 높은 산화 알루미늄으로 채워진 모세관 세라믹 안에 설치되어 있다. 세라믹은 정밀 연마된 알루미나 도기체 구멍 속에 삽입된 고순도 백금선으로 결정되어 있으며, 특수한 열저항 도기재료에 의해 바닥이 고정되어 있다. 저항선의 약 80%가 온도의 변화에서 오는 열로 인한 변형을 받지 않고 반영구적으로 사용할 수 있다. 사용범위는 -200~600도 정도.
나. 글래스형(권선형) 백금 RTD
일체형으로 된 유리 안에 감아서 설치되어 있고, 강한 유리캡슐에 장착된 측온저항체 소자는 백금선 자체가 밀봉되어 있어 액체 안에서도 직접 온도를 측정할 수 있다. 사용범위는 500도까지 안정적.
다. 운모판형(권선형) 백금 RTD
운모판에 백금 저항선을 감고 절연용 운모판을 양면에 다시 덮은 후 그 위에 반원형의 스테인리스 스프링판을 덮어서 가는 스테인리스선으로 묶어 온도 감지 속도를 극대화한 것이다. 진동에 매우 강하지만 습기에는 약한 단점이 있다.
라. 필름형(박막형) 백금 RTD
감지 부위를 최대한 노출시켰기 때문에 응답속도가 빠르고 표면적이 넓어 공기 온도를 측정할 때 효과적이며 길이 및 두께가 소형이므로 한정된 공간에 용이. 값이 싸고 대량생산이 가능하지만 권선형보다는 정밀도가 떨어지는 단점이 있다. 또한 소자의 접착문제로 고온에서는 사용이 어렵다. 사용범위는 -50~500도 정도.
4. 백금 RTD 특성
백금은 넓은 온도범위(-200~850℃)에 걸쳐 안정성, 직선성, 내화학성, 내부식성이 우수하여 가장 널리 사용된다. 보통 PT100(0℃에서 100옴)의 RTD를 많이 사용하며, TCR은 약 a = 0.00385 = 0.004 (Ω/Ω)/℃ 이다. 이것은 온도가 약 1℃만큼 변하면, PT100 RTD의 저항은 0.4옴이 변하는 것을 의미한다.
5. RTD 구조
측온 저항 소자, 연장도선, 절연재료, 보호관 및 단자판으로 구성되어 있다. 보호관에 따라 크게 일반형 측온저항체와 시스형 측온저항체 2종류로 구분한다. 금속관을 보호관으로 사용하여 내부도선을 보호하는 일반형 측온저항체, 금속시스에 내부도선을 넣고 무기절연재를 충전하여 일체화시킨 형태를 시스형 측온저항체라한다.
'기타(포켓몬고 관련 없는 글들)' 카테고리의 다른 글
| [IDEA]어디서든 내 집처럼 편한 생활_LG전자 LG 씽큐(ThinQ) 존 (2) | 2020.03.19 |
|---|---|
| [IDEA] 도심 속 비행기로 출퇴근_현대차 미래 스마트 모빌리티 솔루션 (11) | 2020.03.18 |
| [제어] 온도 측정-열전대(Thermocouple) (0) | 2020.03.11 |
| [제어] INPUT & OUTPUT (0) | 2020.03.09 |
| [제어] OPC 란 (0) | 2020.03.07 |
댓글